波形梁護欄剛柔相兼,幾有較強的吸收碰披能址的能力。在車輛與護欄的碰撞過程中.波形梁護欄的橫梁、立柱和地基土等作為一個整體.共同抵抗車輛的沖挽力.并通過橫梁、立柱和地基上的變形來吸收絕大部分的碰撞能量。常用路側波形梁護欄按防撞等級可分為B, A,SB,SA ,SS五級;常用中央分隔帶波形梁護欄按防撞等級可分為Am、SBm、SAm三級.圖2一8為波形梁護欄示例。
1.波形梁護攔的構造
波形梁護欄由波形梁板、立柱、端頭、緊固件、防組塊等構件組成.
1)路側波形梁護欄的構造規定
(1) B級路側波形梁護攔由二波波形梁板(310mmX85mmX3mm).立往“114mm X4.Smm)和托架(300mX70mmX4. 5mm)等組成.如圖2-9所示.

圖2-9路側B級波形梁護欄構造(單位mm)
(2) A級路側波形梁護欄山二波波形梁板(310mm X 85mm X 4rnm)、立往(擬40mrnX4. 5mm)和防阻塊(196mX 178二rnX 200mmX一甲5mm)等組成.如圖2一10所示,

圖2-10路側A級波形梁護欄構造(單位mm)
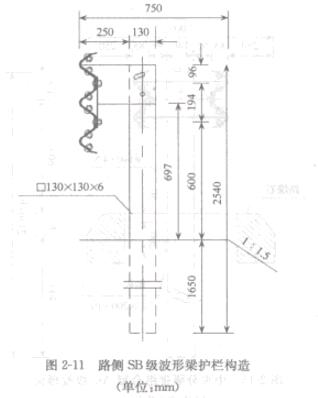
(3) SB級路側彼形梁護欄由三波波形梁扳(506mm X 85mm X一mm)、立柱(口130rnm X 130mm X 6mm)和防阻塊(30Qm X 200mrn X 290 X 4. 5mm)等組成,如圖2-11所示。

圖2-11路側SB級波形梁護欄構造(單位mm)
(4) SA級路側波形梁護欄山三波波形粱板(50fimm X 85mm X 4ram)、橫梁(邦9mmX5. 5mm)、立柱(口130mm X130mm X 6mm和礴102mm X 4. 5mm)和防阻塊(300m X200min X 29O X 4. 5mm)等組成.如圖2一12所示.

圖2-12路側SA級波形粱護欄構造(單位mm)
(5)ss級路側波形梁護欄由三拔波形梁板(50fim饑X 85mm X 4mm》、橫梁(陽9mmx5甲5二)、立柱(0130mm X 130mm X 6mm和0102mm X 4.5mm)和防紐塊(注50m X200mm X 290 X 4. 5mm)等組成,如圖2一13所示。

圖2-13路側SS級波形梁護欄構造(單位mm)